
Editor in chief:WANG Jian-Yu
International standard number:ISSN 1001-9014
Unified domestic issue:CN 31-1577
Domestic postal code:4-335
- Most Read
- Most Cited
- Most Downloaded
LI Chen , JIANG Dong-Wei , XU Ying-Qiang , NI Hai-Qiao , WANG Guo-Wei , WU Dong-Hai , HAO Hong-Yue , NIU Zhi-Chuan
2026, 45(2):195-206. DOI: 10.11972/j.issn.1001-9014.2026.02.001
Abstract:InAs/GaInSb Type-II superlattice (T2SL) materials exhibit significant advantages in long-wave (LWIR) and very long-wave infrared (VLWIR) detectors. By optimizing molecular beam epitaxy (MBE) growth parameters and interface control techniques, a 50-period short-period superlattice (SL) structure composed of 10 monolayer (ML) InAs/7 ML Ga0.75In0.25Sb was successfully grown at the GaSb reconstruction transition temperature. High-resolution X-ray diffraction (HRXRD) characterization revealed a lattice constant of 6.108 ? and a period thickness of 53.53 ? for the superlattice, with deviations from theoretical design values below 0.2%. The lattice mismatch with the GaSb substrate was only 0.197%. Atomic force microscopy (AFM) measurements demonstrated a root mean square (RMS) surface roughness of 1.67 ?, while photoluminescence (PL) spectroscopy indicated a bandgap of 89.9 meV. Furthermore, a 12 ML InAs/5 ML Al0.8In0.2Sb superlattice barrier material was epitaxially grown, exhibiting a lattice mismatch of 0.067% with the GaSb substrate. Experimental results confirm that both 10 ML InAs/7 ML Ga0.75In0.25Sb and 12 ML InAs/5 ML Al0.8In0.2Sb superlattices exhibit excellent lattice compatibility with the GaSb substrate. The presence of multiple satellite diffraction peaks and superior interface quality further validate the structural integrity of the materials. These findings provide a critical material foundation for the development of high-performance infrared detectors.
ZHANG Feng , WANG Fang-Fang , ZHOU Jian , YING Xiang-Xiao , ZHOU Yi , CHEN Jian-Xin
2026, 45(2):207-216. DOI: 10.11972/j.issn.1001-9014.2026.02.002
Abstract:Metalenses, with their unique optical field modulation characteristics and remarkable advantages of high integration and miniaturization, have broad applications in the integrated imaging system of lightweight and small-sized optoelectronic chips. In this paper, a metalens structure for pixel-level integrated infrared focal plane applications was designed. The preparation of the structure adopted a method combining stepper lithography technology and the Inductively Coupled Plasma (ICP) etching process. Through a systematic optimization of etching parameters, including gas flow rate, working pressure, and power, the loading effect was effectively suppressed and the standard deviation of the etching rate was decreased from 0.205% to 0.073%. Finally, a highly uniform metalens array was fabricated, with a pixel center distance of 30 μm, an array of 640×512, and a maximum aspect ratio of 3.42 of Si pillars. The focusing distance for 4.3 μm wavelength infrared light is 35 μm. The measured optical field convergence efficiencies, within radial ranges of 10 μm and 20 μm in the central area at the focal length, are 66.4% and 84.9%, respectively. The optical field energy is increased by 5.98 times and 1.91 times, respectively, compared with that without the integrated metalens within the same area range. This study will provide the structural design and processing foundation for the integration of pixel-level metalens arrays with infrared chips.
YU Shuo-Ying , ZHU Run-Miao , LIU Sheng , ZHA Zhi-Peng , ZHANG Qing-Tian , HOU Guang-Ning , FEI Ying-Di , LIU Shao-Hua , JING Cheng-Bin , CHU Jun-Hao
2026, 45(2):217-226. DOI: 10.11972/j.issn.1001-9014.2026.02.003
Abstract:Hollow optic fiber delivery of CO2 and other mid-infrared lasers faces several challenges in terms of transmission loss, bending flexibility and reliability, which limits its applications in laser medicine, flexible industrial processing, and intelligent sensing. A flexible, low-loss mid-infrared hollow fiber with enhanced PI/Ag/AgI interfacial bonding strength has been developed by utilizing plasma activation of polyimide (PI) structural tubes and a dynamic liquid-phase deposition process. The results showed that after plasma treatment, the N-C bonds on the surface of PI were converted to N-O bonds and active groups such as carboxyl were formed. This results in enhancement of surface hydrophilicity and the interfacial bonding strength between PI and Ag/AgI layers (from level 0 to level 2) without noticeably increasing surface roughness. The as-fabricated PI hollow fiber (ID=2 mm) exhibited a low-loss transmission window within 8-15 μm wavelength range, achieving a linear transmission loss as low as 0.05 dB/m at 10.6 μm. When bent 180° with a radius of 20 cm, the loss increased only to 0.55 dB/m. The fiber could deliver a 30 W CO2 laser beam for 300 s at 150 °C without damage. After 400 min of vibration testing and 120 min of high-low temperature aging (150/-196 ℃), the transmission loss remained stable, showing its value for practical applications.
LIU Chi-Xian , CHEN Tian-Ye , WANG Ze-Xin , HU Qing-Zhi , DOU Wei , LIU Xiao-Yan , LING Jing-Wei , PAN Chang-Yi , ZHU Jia-Qi , WANG Peng , DENG Hui-Yong , SHEN Hong , DAI Ning
2026, 45(2):227-235. DOI: 10.11972/j.issn.1001-9014.2026.02.004
Abstract:A novel germanium (Ge)-based blocked-impurity-band (BIB) infrared detector with a planar PIN structure was developed, using a near-surface processing technique to fabricate the target and electrode contact regions. The detector demonstrates significant rectifying characteristics, exhibiting extremely low dark current under reverse bias, and its working temperature is extended to 15 K. At this temperature, the detector maintains a stable detectivity of 6 × 1012 cm·Hz1/?·W?1 within the reverse bias voltage range of 0 V to -5 V. Through the band structure analysis, the dark current mechanism and the impact of temperature variation on optical response were discussed in detail, and the working principle based on the low-temperature weak ionization region was proposed. Additionally, tests of the detector’s blackbody response current and detectivity were systematically measured, and the mechanism of maintaining high performance at elevated working temperatures was clarified. The result provides innovative insights for enhancing the temperature performance of Ge-based BIB detectors and offers the theoretical and experimental support for the design and application of future infrared detectors.
TIAN Ya-Ping , LI Zhi-Feng , LI Ning , LI Xiang-Yang , XU Jin-Tong
2026, 45(2):236-243. DOI: 10.11972/j.issn.1001-9014.2026.02.005
Abstract:The expansion of response bandwidth is an important direction in the development of quantum well infrared photodetectors. Using quantum well material with the peak response wavelength at 10.55 μm, the diffraction grating structure in the 30 μm center distance quantum well infrared detector is optimized, and six different combinations of the mixed-period gratings are obtained by mixing three grating structures with the periods of 2.80 μm, 3.50 μm, and 4.25 μm within a single photosensitive pixel. Photoresponse spectroscopy tests show that the response bandwidth of the mixed-period grating can be broadened from 1.20 μm to 1.91 μm by up to 60% compared to a single-period grating, while the blackbody responsivity decreases by only 12%.
XIANG Tai-Yi , WANG Nan , HUANG Min , CHAI Xu-Liang , CHEN Jian-Xin
2026, 45(2):244-250. DOI: 10.11972/j.issn.1001-9014.2026.02.006
Abstract:In order to investigate the electrical properties of InAs/GaSb type-II superlattices, a lattice-matched AlAsSb electrical isolation layer was grown between the GaSb substrate and the InAs/GaSb type-II superlattice epitaxial material to suppress the conductive effect of the substrate. Temperature-dependent Hall measurements revealed that the unintentionally doped superlattice exhibited N-type conductivity. As the P-type doping concentration increased, a carrier compensation was observed, with the conductivity type reversal occurring at 95 K and 230 K. Below the transition temperatures, P-type conductivity was exhibited, while above the transition temperatures, the material exhibited N-type conductivity. The phenomenon was analyzed using the Fermi level model, and the results indicated that the transition temperature for the conductivity type change increased with increasing doping concentration.
XUE Yong , XU Qing , HUANG Min , WANG Zhen , LIANG Zhao-Ming , XU Qing-Qing , BAI Zhi-Zhong , CHEN Jian-Xin
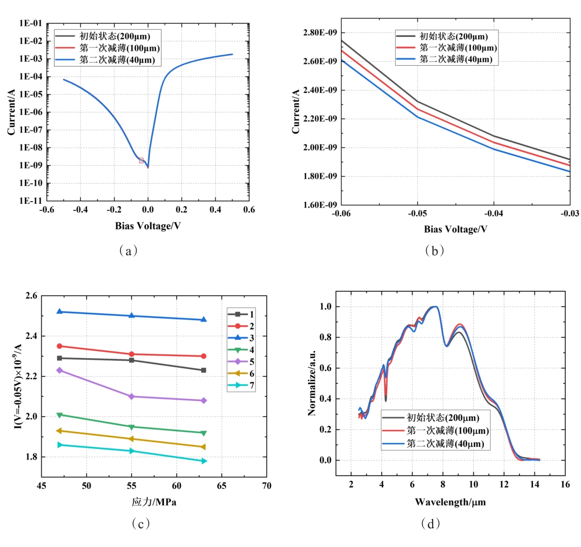
2026, 45(2):251-258. DOI: 10.11972/j.issn.1001-9014.2026.02.007
Abstract:The superlattice long-wavelength infrared focal plane detectors operate at low temperatures. The differences in the thermal expansion coefficients among the various material layers of the detectors can lead to deformation and generate thermal stress, which in turn affects the optoelectrical performance of the detector. This study designed two structural modules to achieve the regulation of stress in the superlattice detectors. The changes in the dark current and spectral response of InAs/GaSb type II superlattice long-wave infrared focal plane detectors under different stress conditions were explored. The research indicates that within the stress range of -10.7 MPa to 131.9 MPa, the variation in the optoelectrical performance of the detector is small. The detector was subjected to a temperature shock test, and it demonstrated high reliability. The research results provide guidance for the structural design of InAs/GaSb type II superlattice long-wave infrared focal plane detectors and offer a basis for their performance and reliability assessment.
WU Jie-Ya , WANG Dong-Ning , ZHAO Chun-Liu
2026, 45(2):259-263. DOI: 10.11972/j.issn.1001-9014.2026.02.008
Abstract:A whispering gallery mode microsphere resonator is proposed and demonstrated. The device is fabricated by splicing a single-mode fiber with a capillary tube and, by properly adjusting the discharging current and the splicing position of the fiber and capillary tube, an expanded hollow sphere cavity is formed at the splicing junction. A microsphere is inserted into the hollow sphere cavity and positioned in close touch with the cavity wall to excite whispering gallery mode resonance via the coupling of the evanescent field of the anti-resonant reflecting guidance mode produced in the cavity wall. The device has a quality factor of 3.725 × 103 and is compact, simple in fabrication, easy in packaging, convenient in operation and of low cost.
HUANG Hao-Jin , WANG Long , ZHOU Jian , WANG Fang-Fang , ZHANG Feng , YING Xiang-Xiao , TANG Shou-Hai , LIU Yun-Meng , CHEN Jian-Xin , ZHOU Yi
2026, 45(2):264-271. DOI: 10.11972/j.issn.1001-9014.2026.02.009
Abstract:Due to the close pixel size and working wavelength of the focal plane polarization integrated infrared detector, diffraction effects cause severe crosstalk between adjacent pixels with different polarized light. A single traditional metal grating structure cannot achieve high extinction ratio polarization detection chips. This article proposes and designs a metasurface lens stacked polarization integrated infrared detector structure, studies the optical field convergence ability of metalens for different wavelengths of infrared light waves, prepares metastructural lenses and submicron grating structures, and integrates them with infrared focal planes. The polarization extinction ratio of the device exceeds 15:1, and dynamic and variable temperature objects are selected for polarization imaging experiments, demonstrating the imaging advantages of polarization integrated devices with focal planes.
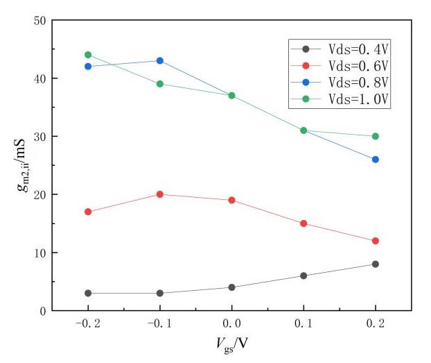
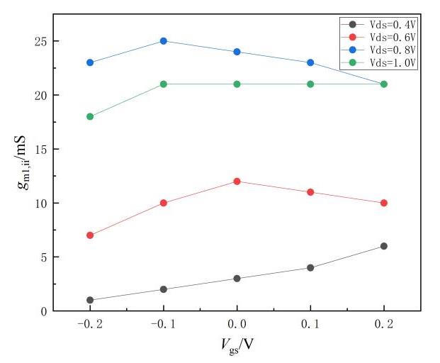
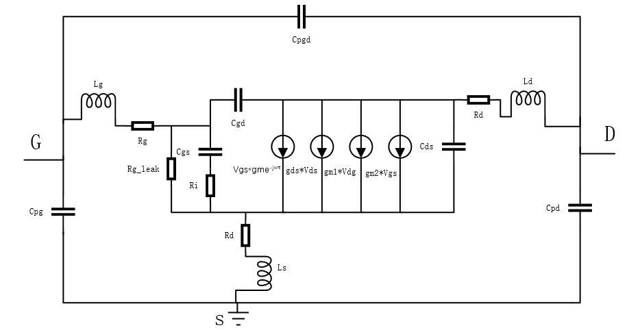
GONG Yong-Heng , CHEN Yu-Xuan , SHI Jing-Yuan , ZHANG Da-Yong , SU Yong-Bo , DING Wu-Chang , DING Peng , JIN Zhi
2026, 45(2):272-281. DOI: 10.11972/j.issn.1001-9014.2026.02.010
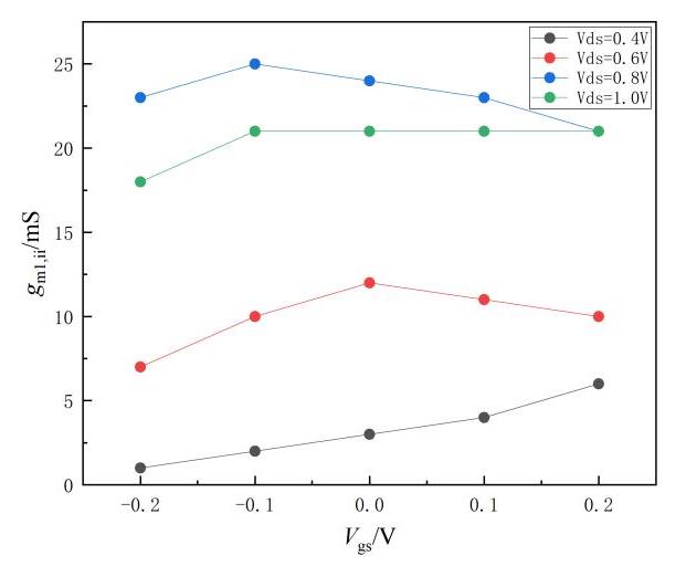
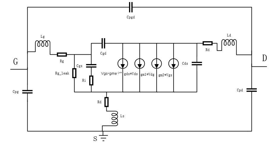
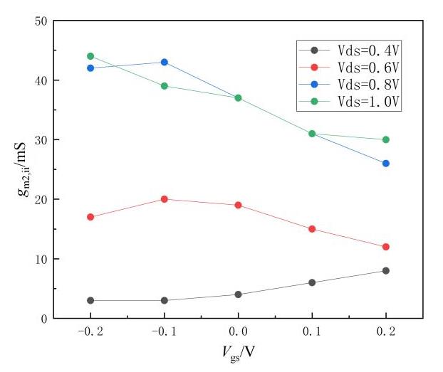
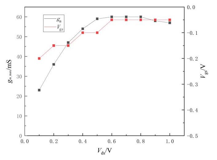
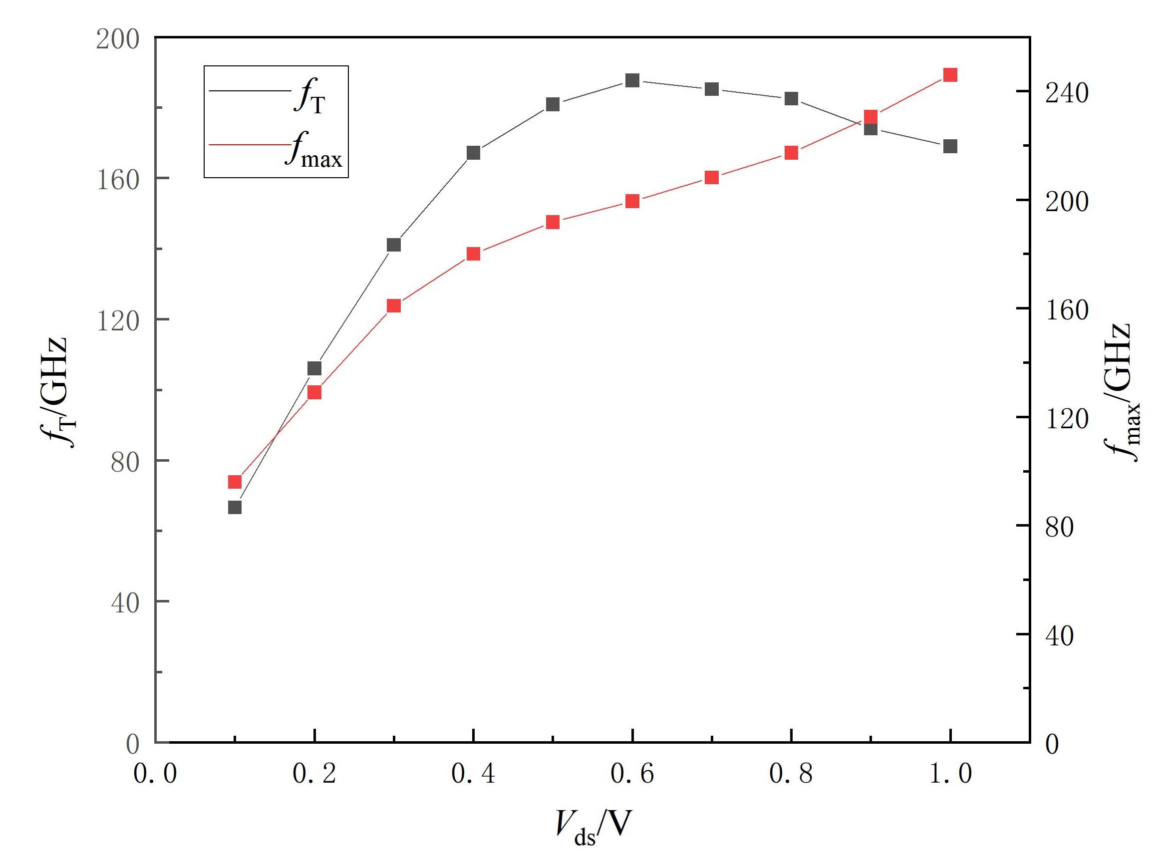
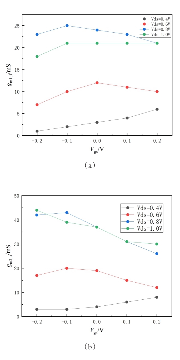
Abstract:In this work, 100 nm gate-length InP-based high electron mobility transistors (HEMTs) with a composite InGaAs/InAs/InGaAs channel are fabricated. DC measurements indicate that the InAs channel enhances transconductance but shifts the peak point toward lower Vgs under high Vds bias. Peak separation analysis reveals the DC transconductance curve is composed of two components: the gate-controlled transconductance and the impact-ionization-induced additional transconductance. Further analysis demonstrates that the anomalous shift originates from the channel impact ionization intensity variation, which is caused by changes in the gate-drain electric field rather than the carrier density in the channel. Two additional current sources are introduced in the small-signal model to characterize the impact-ionization-induced transconductance, and the numerical variation trends of their parameters are consistent with the peak separation results, which validate the mechanism''s correctness. RF measurements confirm that the DC transconductance enhancement does not effectively improve RF characteristics, which is attributed to the ionization-induced transconductance having a time constant significantly larger than that of conventional transconductance components. These findings provide a theoretical foundation for controlling the impact-ionization.
CHENG Zhi-Hua , ZHOU Ran , WANG Meng , YU Tao , WANG Yu-Lan , YAO Jian-Quan
2026, 45(2):282-287. DOI: 10.11972/j.issn.1001-9014.2026.02.011
Abstract:This paper proposes a novel Range Migration Algorithm (RMA) integrated with an adaptive background filtering method specifically designed for near-field millimeter-wave imaging scenarios where targets are in close proximity to background structures. This method simulates the attention distribution mode of the human visual system which is used in Artificial Intelligence (AI) and called the Attention Mechanism. Based on the concept of static clutter filtering, the frequency-domain signals of the scanning aperture are divided into grid cells. Background scattering functions are established by analyzing the motion processes within each cell, and the background interference is linearly filtered out. An analysis of the manifestation of background scattering interference within the algorithm is carried out, and the impact of the grid cell dimension on the imaging quality is investigated. Experimental results show that the proposed method exhibits the capability to enhance the signal-to-noise ratio of both the target and the background. It effectively suppresses the background interference, leading to a more prominent image, meanwhile without imposing the excessive computational load. The method offers a novel solution for improving the performance of millimeter-wave imaging technology in practical applications.
ZHANG Yu-Song , SHI Wei , LI Yi-Fan , HOU Lei , LI Huan-Lin
2026, 45(2):288-293. DOI: 10.11972/j.issn.1001-9014.2026.02.012
Abstract:Optimizing the base material and electrode structure of photoconductive antennas is crucial for enhancing their terahertz wave radiation performance. Compared with traditional photoconductive antennas (PCAs), the interdigital photoconductive antenna (IPCA) can accommodate multiple array elements within a smaller photosensitive area, leading to better radiation performance. This study designed and developed six types of IPCAs with varying numbers of array elements and electrode gaps. By introducing metal layer shielding to eliminate the reverse electric field between adjacent electrodes, the radiation and polarization characteristics of the IPCA were compared with those of traditional PCAs (parallel electrode and bowtie antennas). Furthermore, variations in the radiation characteristics of the IPCA with respect to the number of array elements, electrode gaps, pump light energy, and bias electric field were investigated. Experimental results show that the THz pulse radiation amplitude of a 40-array-element IPCA is 30 times higher than that of a single antenna.
TAN Cheng , ZOU Ting-Ting , ZANG Shan-Zhi , WANG Kai , GAN Liang-Hua , CAO Chen-Tao , CHEN Bing-Qi , CHEN Hong-Tai , ZHANG Yue-Heng , FANG Yu-Long , XU Gang-Yi
2026, 45(2):294-302. DOI: 10.11972/j.issn.1001-9014.2026.02.013
Abstract:We demonstrate terahertz quantum cascade (THz-QC) wire lasers based on dual coupled gratings that achieve continuous-wave (CW) operation near liquid nitrogen temperatures with a low-divergence Gaussian-like beam profile. Our configuration circumvents the effective refractive index constraint, significantly enhancing fabrication efficiency while retaining the key advantages of low power consumption and high heat dissipation efficiency. By engineering the photonic band structure of the coupled gratings, the laser operates on two supermodes. For Supermode #1, grating 1 serves as the master oscillator while grating 2 functions as a phased antenna array, featuring a collimated beam. For Supermode #2, grating 2 is the main oscillator and simultaneously provides a collimated beam, while grating 1 offers high reflectivity. Both supermodes exhibit high cavity quality factors and low beam divergence, achieved with a significantly reduced gain area. Experimentally, both supermodes are observed, and the optimized laser produces a collimated Gaussian beam with divergence angles of 12°×18° and an optical power of 1.04 mW. The threshold power consumption and thermal resistance are as low as 2.62 W and 8.5 mK/W/cm2, respectively, resulting in a maximum CW operating temperature of 78.0 K. This work offers a more accessible route for low-divergence, low-power-consumption, high-thermal-dissipation-efficiency THz-QCLs with enhanced CW operation at elevated temperatures.
CAI Miao , WANG Xing-Jun , GUO Xu-Guang
2026, 45(2):303-308. DOI: 10.11972/j.issn.1001-9014.2026.02.014
Abstract:High-performance uncooled terahertz (THz) detectors have a wide range of applications in many technological fields, such as high-rate data communications, real-time imaging, spectroscopy and sensing. However, room-temperature THz detectors with high sensitivity and fast response capability are still rare. In recent years, the hot-carrier photothermoelectric (PTE) effect in two-dimensional (2D) materials has been found to be useful for room-temperature, high-speed, and highly sensitive photodetection in the THz and long-wave infrared radiation. In this study, the authors constructed a room-temperature THz detector based on the high-performance 2D layered thermoelectric material Bi2Te3, which employs a bow-tie antenna as an asymmetric light coupler and utilizes the hot-carrier PTE effect to achieve THz detection in zero-bias mode. The results show that the Bi2Te3 detector exhibits excellent THz detection performance, with a responsivity and noise equivalent power of 0.45 A/W and 17 pW/Hz1/2, and a fast response time of 12 μs under 100 GHz radiation, respectively. This work demonstrates the promising application of Bi2Te3 THz detectors based on the hot-carrier PTE effect in realizing high-performance uncooled THz detectors.
WANG He-Yao , ZHAO Zi-Ran , QIAO Ling-Bo , GUO Da-Lu
2026, 45(2):309-316. DOI: 10.11972/j.issn.1001-9014.2026.02.015
Abstract:Millimeter-wave (MMW) technology has been widely utilized in human security screening applications due to its superior penetration capabilities through clothing and safety for human exposure. However, existing methods largely rely on fixed polarization modes, neglecting the potential insights from variations in target echoes with respect to incident polarization. This study provides a theoretical analysis of the cross-polarization echo power as a function of the incident polarization angle under linear polarization conditions. Additionally, based on the transmission characteristics of multi-layer medium, we extend the depth spectrum model employed in direct detection to accommodate scenarios involving multi-layered structures. Building on this foundation, by obtaining multiple depth spectra through polarization angle scanning, we propose the Polarization Angle-Depth Matrix to characterize targets across both the polarization angle and depth dimensions in direct detection. Simulations and experimental validations confirm its accuracy and practical value in detecting concealed weapons in human security screening scenarios.
ZHAO Ya-Nan , WAN Wen-Jian , SHAO Di-Xiang , CAO Jun-Cheng , HAN Ying-Jun
2026, 45(2):317-324. DOI: 10.11972/j.issn.1001-9014.2026.02.016
Abstract:This study presents the design, fabrication, characterization, and testing methodology of a reflective blazed grating operating in the Littrow configuration. The grating, fabricated via mechanical ruling with a sawtooth profile, was characterized using a terahertz quantum cascade laser combined with self-mixing interferometry. Non-contact measurements yielded a grating constant of 84.89 μm and a blaze angle of 24.9°, with performance metrics including an angular resolution of 0.117 rad/THz and a peak diffraction efficiency of 71% within the terahertz band, consistent with theoretical predictions. By directly resolving grating parameters through laser feedback signals, this method significantly improved the measurement speed compared to conventional approaches, demonstrating the potential for real-time dynamic characterization of grating devices.
HU Er-Tao , LIU Jia-Wei , SHAO Peng , XIN Hao , CAI Qing-Yuan , DUAN Wei-Bo , CHEN Liang-Yao
2026, 45(2):325-331. DOI: 10.11972/j.issn.1001-9014.2026.02.017
Abstract:Photocurrent scanning imaging (mapping) technology is a key technique in the research of solar cells and photodetectors. However, traditional galvanometer-driven beam scanning methods are limited by a restricted scanning range and image distortion. To address these shortcomings and meet the need for testing the photocurrent uniformity of large-area optoelectronic devices, an automated photocurrent mapping testing system has been developed based on optical component scanning. This system offers a large imaging range, high spatial resolution, high stability, and low cost. With its high-precision mode, it can achieve sub-micron geometric positioning (subdivision number 6400, scanning step size 0.625 μm), fulfilling both large-area scanning requirements and providing high-resolution testing. Moreover, its simple structure greatly reduces the overall cost of the mapping system. Using a silicon solar cell sample with a white paper surface covered by the character “南” (south) or an encoder strip mask, it was demonstrated that the scanning range exceeded 10×10 mm2, with a spatial resolution of 0.6 μm. The system was also used to characterize the surface photocurrent images of Cu?ZnSnS? and Cu?ZnSn(S,Se)? solar cells. The results show that the Cu?ZnSnS? cell contains more defects, while the Cu?ZnSn(S,Se)? cell exhibits a more uniform surface photocurrent response with fewer defects. These findings contribute to the optimization of solar cell fabrication processes.
LI Yan , HE Yan , YU Qing-Hua , SUN Sheng-Li
2026, 45(2):332-340. DOI: 10.11972/j.issn.1001-9014.2026.02.018
Abstract:The study simulated imaging characteristics of a segmented planar imaging system. It investigated the influence of structural parameters on imaging results based on a checkerboard lens sampling array,and provided optimal parameters for the system. The work innovatively employed hyperspectral images to analyze the impact of interference spectral width on imaging quality in natural scenes,concluding that the allowable interference bandwidth in practical applications should not exceed 100 nm. The discussion on the allowable bandwidth and error analysis based on real-world scenarios offered guidance for developing checkerboard-type imagers. These findings also provided universal insights applicable to all segmented planar imaging systems.
LI Wen-Xiong , SHEN Jun-Li , LU Zhen-Yu , MEN Shu-Dong , WU Qing-Wen , ZHAO Xiao-Yan
2026, 45(2):341-348. DOI: 10.11972/j.issn.1001-9014.2026.02.019
Abstract:With the widespread application of infrared detection technology in fields such as military reconnaissance, aerospace monitoring, and security early warning, infrared measurement systems play a critical role in infrared detection. In response to issues such as low calibration efficiency and significant environmental interference in the calibration and radiative property inversion of infrared measurement systems, this paper proposes a calibration and radiative property inversion method based on infrared weak small targets. A small-area blackbody source is used as a controllable radiation source to project infrared targets, and deep learning networks are employed for precise identification and gray-scale extraction of infrared weak small targets. Using this, a calibration model for the measurement system is established. Experimental results show that the method demonstrates good calibration stability within the temperature range of 298-308 K, with the absolute error of radiative property inversion controlled within ±2 K and the relative error of inversion temperature ≤ 0.5%. Regression analysis also indicates high temperature inversion accuracy (R2>0.94). Compared to traditional methods, the proposed method balances calibration efficiency and accuracy while extending the ability to invert the temperature field of targets. This research provides an effective solution for rapid calibration and high-precision radiative property analysis of infrared weak small targets.

Editor in chief:WANG Jian-Yu
International standard number:ISSN 1001-9014
Unified domestic issue:CN 31-1577
Domestic postal code:4-335